首页
关于我们
关于我们
公司简介
资质荣誉
企业文化
产品中心
产品中心
LED防爆灯篇
防爆灯具篇
防爆电器篇
防爆全塑篇
防爆管件篇
防爆粉尘篇
防水防尘防腐
其它篇
新闻中心
新闻中心
公司新闻
行业动态
资料下载
联系我们
当前位置:
首页
>
产品中心
>
其它篇
>
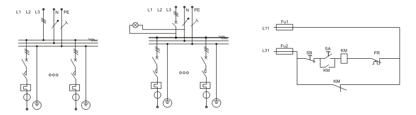
BDX51-F□Q系列粉尘防爆动力配电箱(电磁起动)(DIP)
产品分类
LED防爆灯篇
防爆灯具篇
防爆电器篇
防爆全塑篇
防爆管件篇
防爆粉尘篇
防水防尘防腐
其它篇
400-668-6725
产品中心
BDX51-F□Q系列粉尘防爆动力配电箱(电磁起动)(DIP)
下一个:
AC-16,32防爆插销(ⅡB)
返回列表
技术支持:传信网络
版权所有 © 乐清市安博尔电气有限公司
浙ICP备10210560号-1
XML
网站地图
返回顶部
400-668-6725
加我为朋友